联系我们
产品介绍
预估寿命:在额定电压,室温25℃,相对湿度15%~65%RH 环境中工作中连续运转;额定转速:风扇在额定电压,室温25℃,相对湿度15%~65%RH 环境中测试3分钟以上,所对应的转速。
产品参数
一、常规参数
| 序号 | 项目 | 规格 | 单位 |
| 1 | 外观尺寸 | 172X152X51.5 | MM |
| 2 | 轴承类别 | 2Ball NMB品牌 | Bearing |
| 3 | 额定电压 | 220 | VAC |
| 4 | 工作电压 | 85~235 | VAC |
| 5 | 启动电压 | ≤85.0 (25℃ POWER ON/OFF) | VAC |
| 6 | 额定电流 | 0.15±10% | A |
| 7 | 标签电流 | 0.12 | A |
| 8 | 输入功率 | 20.0±10% | W |
| 9 | 转速 | 3100±10% | RPM |
| 10 | 更大风量(零静压时) | 240.3 (MIN:231.57) | CFM |
| 11 | 更大风压(零风量时) | 15.0 (MIN:13.5) | mmH2O |
| 12 | 噪音值*Page3- J | ≤51.81 (Note*Test method seeⅢ-J) | dB(A) |
| 13 | 运转温度 | -10 ~ +70 | °C |
| 14 | 储存温度 | -40 ~ +80 | °C |
| 15 | 运转湿度 | 5 ~ +90% | RH |
| 16 | 储存湿度 | 5 ~ +95% | RH |
二、产品功能
| 1、马达锁定保护 | (YES.) |
| 2、转速量测输出 | (N/A.) |
| 3、运转侦测输出 | (N/A.) |
| 4、PWM控制 | (N/A.) |
| 5、极性保护正极与负极反接时,不导通 | (N/A.) |
| 6、过流/限流保护 | (YES.) |
| 7、缓启动功能 | (YES.) |
| 8、环保要求 | (YES.) |
| 9、防水等级 | (IP68) |
| 10、防火等级要求 | (94V0.) |
备注:N/A----------不适用。
三、功能和环境说明
A. 预估寿命:在额定电压,室温25℃,相对湿度15%~65%RH 环境中工作中连续运转;
1. 双滚珠轴承预期寿命: 20000 小时
B. 额定转速:风扇在额定电压,室温25℃,相对湿度15%~65%RH 环境中测试3分钟以上,所对应的转速;
C. 转速公差:转速公差±10%以内为合格;
D. 马达锁住保护:在额定电压下锁住叶轮后,线圈马达绕组能承受96小时.;
E. 缓启动功能:通电后风扇转速慢慢上升,1-3秒后到达更大功率,用于保护驱动线路以及电源;
F 绝缘耐压强度: 在500V 50/60Hz的交流电压下一分钟,框和导线的绝缘耐压小于5毫安;
G .绝缘阻抗强度: 在500V的直流电压下框和导线的阻抗大于10兆欧姆;
H. 寿命试验:参考IPC-9591;
I. ON/OFF测试:常温额定电压下,5秒开/10秒关。持续30个小时;
J. 高温测试:在额定电压下,温度为85℃环境下测试连续运转168小时。K 声学噪音测试: 噪音的测试是在额定电压下,麦克风在距离风扇入风口1米处,声级计测量所得的平均值,在半无响室内且风扇在自由空气场中测得。
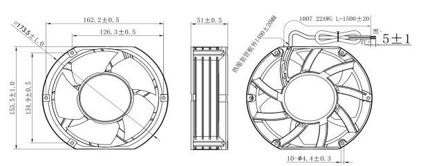
四、风机尺寸
| 产品图 | 更大外形尺寸 | 安装尺寸 | 安装孔大小 | 安装尺寸图 | ||||
![]() | 173.5x51mm | 见安装尺寸图 | 10-ø4.4mm | ![]() | ||||
五、参数与安装尺寸
| TD-TEX17251B45M防水风机 | ||||
| 型号 | 额定电压 | 额定功率 | 额定电流 | 外壳材质 |
| TD-17251B45M | 45VDC | 15W | 0.33A±10% | 塑胶/铝合金 |
| 额定转速 | 更大风量 | 工作温度 | 防水等级 | |
| 3100±10%RPM | 240CFM | -10~60℃ | IP68 | |
| 更大外型尺寸图: | 安装尺寸图 | |||
![]() | ![]() | |||
| 更大外型尺寸:172x150x52mm | 安装尺寸:见安装尺寸图 | |||
| TD-TEX17251B220M防水风机 | ||||
| 型号 | 额定电压 | 额定功率 | 额定电流 | 外壳材质 |
| TD-TEX17251B220M | 220VAC | 15W | 0.15±10% | 塑胶/铝合金 |
| 额定转速 | 更大风量 | 工作温度 | 防水等级 | |
| 3100±10%RPM | 240CFM | -10~60℃ | IP68 | |
| 更大外型尺寸图: | 安装尺寸图 | |||
![]() | ![]() | |||
| 更大外型尺寸:172x150x52mm | 安装尺寸:见安装尺寸图 | |||
立即询价






0755-84718202
0755-84718202
408448531@qq.com
深圳市龙岗区布吉街道布龙路18号赛格ECO中心5栋1001室 




